
Load holding valve from Sun Hydraulics.
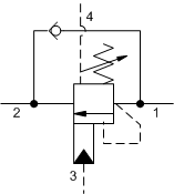
Vented counterbalance valves with pilot assist are meant to control an overrunning load. The check valve allows free flow from the directional valve (port 2) to the load (port 1) while a direct-acting, pilot-assisted relief valve controls flow from port 1 to port 2. Pilot assist at port 3 lowers the effective setting of the relief valve at a rate determined by the pilot ratio. Backpressure at port 2 does not affect the valve setting because the spring chamber references the vent (port 4).
Other names for this valve include motion control valve and over-center valve.
Note: Data may vary by configuration. See CONFIGURATION section.
| Cavity | T-22A |
| Series | 2 |
| Capacity | 30 gpm |
| Capacity (metric) | 120 L/min. |
| Pilot Ratio | 1:1 |
| Maximum Recommended Load Pressure at Maximum Setting | 3075 psi |
| Maximum Recommended Load Pressure at Maximum Setting (metric) | 215 bar |
| Maximum Setting | 4000 psi |
| Maximum Setting (metric) | 280 bar |
| Factory Pressure Settings Established at | 2 in³/min. |
| Factory Pressure Settings Established at (metric) | 30 cc/min. |
| Maximum Valve Leakage at Reseat | 5 drops/min. |
| Maximum Valve Leakage at Reseat (metric) | 0,3 cc/min. |
| Check Cracking Pressure | 25 psi |
| Check Cracking Pressure (metric) | 1,7 bar |
| Adjustment – No. of CCW Turns from Min. to Max. Setting | 5 |
| Operating Characteristic | Standard |
| Reseat | >85% of setting |
| Valve Hex Size | 1 1/8 in. |
| Valve Hex Size (metric) | 28,6 mm |
| Valve Installation Torque | 45 – 50 lbf ft |
| Valve Installation Torque (metric) | 61 – 68 Nm |
| Adjustment Screw Internal Hex Size | 5/32 in. |
| Adjustment Screw Internal Hex Size (metric) | 4 mm |
| Locknut Hex Size | 9/16 in. |
| Locknut Hex Size (metric) | 15 mm |
| Locknut Torque | 80 – 90 lbf in. |
| Locknut Torque (metric) | 9 – 10 Nm |
| Model Weight | 0.79 lb. |
| Model Weight (metric) | 0.36 kg. |
| Seal kit – Cartridge | Viton: 990022006 |
Control
| C | Tamper Resistant – Factory Set |
| L | Standard Screw Adjustment |
Functional Setting Range
| H | 1000 – 4000 psi (70 – 280 bar), 3000 psi (210 bar) Standard Setting |
| I | 400 – 1500 psi (28 – 105 bar), 1000 psi (70 bar) Standard Setting |
Seal Material
| N | Buna-N |
| V | Viton |
Material/Coating
| /LH | Mild Steel, Zinc-Nickel |

Hydnet
EA Rosengrens gata 29
421 32 Västra Frölunda
+46 31 - 499 490
info@hydnet.se